Namur Amplifier . A namur sensor is a 2 wire proximity sensor that was developed to ensure safety in hazardous areas. These sensors are powered by a nominal 8.2 vdc supply, sourced from a switch amplifier. Namur sensors are designed to be powered by a switching. For the operation of intrinsically safe sensors in hazardous areas. Easy programming of the output function. It is designed to safely operate e.g. Namur proximity sensors are used in classified hazardous location areas that have explosive gas, dust, or fibers present.
from www.ifm.com
For the operation of intrinsically safe sensors in hazardous areas. Namur sensors are designed to be powered by a switching. Easy programming of the output function. It is designed to safely operate e.g. A namur sensor is a 2 wire proximity sensor that was developed to ensure safety in hazardous areas. These sensors are powered by a nominal 8.2 vdc supply, sourced from a switch amplifier. Namur proximity sensors are used in classified hazardous location areas that have explosive gas, dust, or fibers present.
NI500A Inductive NAMUR sensor ifm electronic
Namur Amplifier These sensors are powered by a nominal 8.2 vdc supply, sourced from a switch amplifier. A namur sensor is a 2 wire proximity sensor that was developed to ensure safety in hazardous areas. Easy programming of the output function. For the operation of intrinsically safe sensors in hazardous areas. Namur proximity sensors are used in classified hazardous location areas that have explosive gas, dust, or fibers present. It is designed to safely operate e.g. These sensors are powered by a nominal 8.2 vdc supply, sourced from a switch amplifier. Namur sensors are designed to be powered by a switching.
From www.rhombergonline.com.au
Rhomberg Namur Amplifier Namur sensors are designed to be powered by a switching. It is designed to safely operate e.g. For the operation of intrinsically safe sensors in hazardous areas. Easy programming of the output function. A namur sensor is a 2 wire proximity sensor that was developed to ensure safety in hazardous areas. Namur proximity sensors are used in classified hazardous location. Namur Amplifier.
From mt.rsdelivers.com
IM112EXR Turck Turck 1 Channel Galvanic Barrier, Isolating Namur Amplifier For the operation of intrinsically safe sensors in hazardous areas. These sensors are powered by a nominal 8.2 vdc supply, sourced from a switch amplifier. It is designed to safely operate e.g. Easy programming of the output function. Namur sensors are designed to be powered by a switching. Namur proximity sensors are used in classified hazardous location areas that have. Namur Amplifier.
From pitesvietnam.com
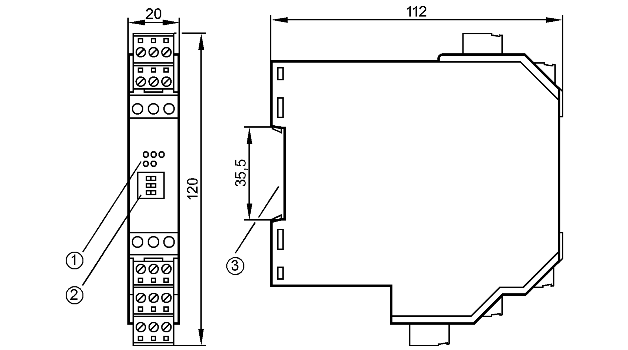
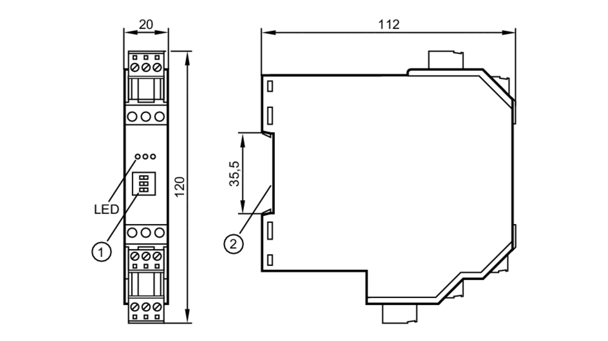
Switching amplifiers for Namur sensors N0533A, N0534A, N0530A, N0531A Namur Amplifier A namur sensor is a 2 wire proximity sensor that was developed to ensure safety in hazardous areas. It is designed to safely operate e.g. Easy programming of the output function. These sensors are powered by a nominal 8.2 vdc supply, sourced from a switch amplifier. Namur proximity sensors are used in classified hazardous location areas that have explosive gas,. Namur Amplifier.
From www.rhombergonline.com.au
Rhomberg Namur Amplifier It is designed to safely operate e.g. For the operation of intrinsically safe sensors in hazardous areas. A namur sensor is a 2 wire proximity sensor that was developed to ensure safety in hazardous areas. Namur sensors are designed to be powered by a switching. Easy programming of the output function. Namur proximity sensors are used in classified hazardous location. Namur Amplifier.
From www.ifm.com
N0533A Switching amplifiers for Namur sensors ifm Namur Amplifier A namur sensor is a 2 wire proximity sensor that was developed to ensure safety in hazardous areas. It is designed to safely operate e.g. For the operation of intrinsically safe sensors in hazardous areas. These sensors are powered by a nominal 8.2 vdc supply, sourced from a switch amplifier. Namur proximity sensors are used in classified hazardous location areas. Namur Amplifier.
From www.ifm.com
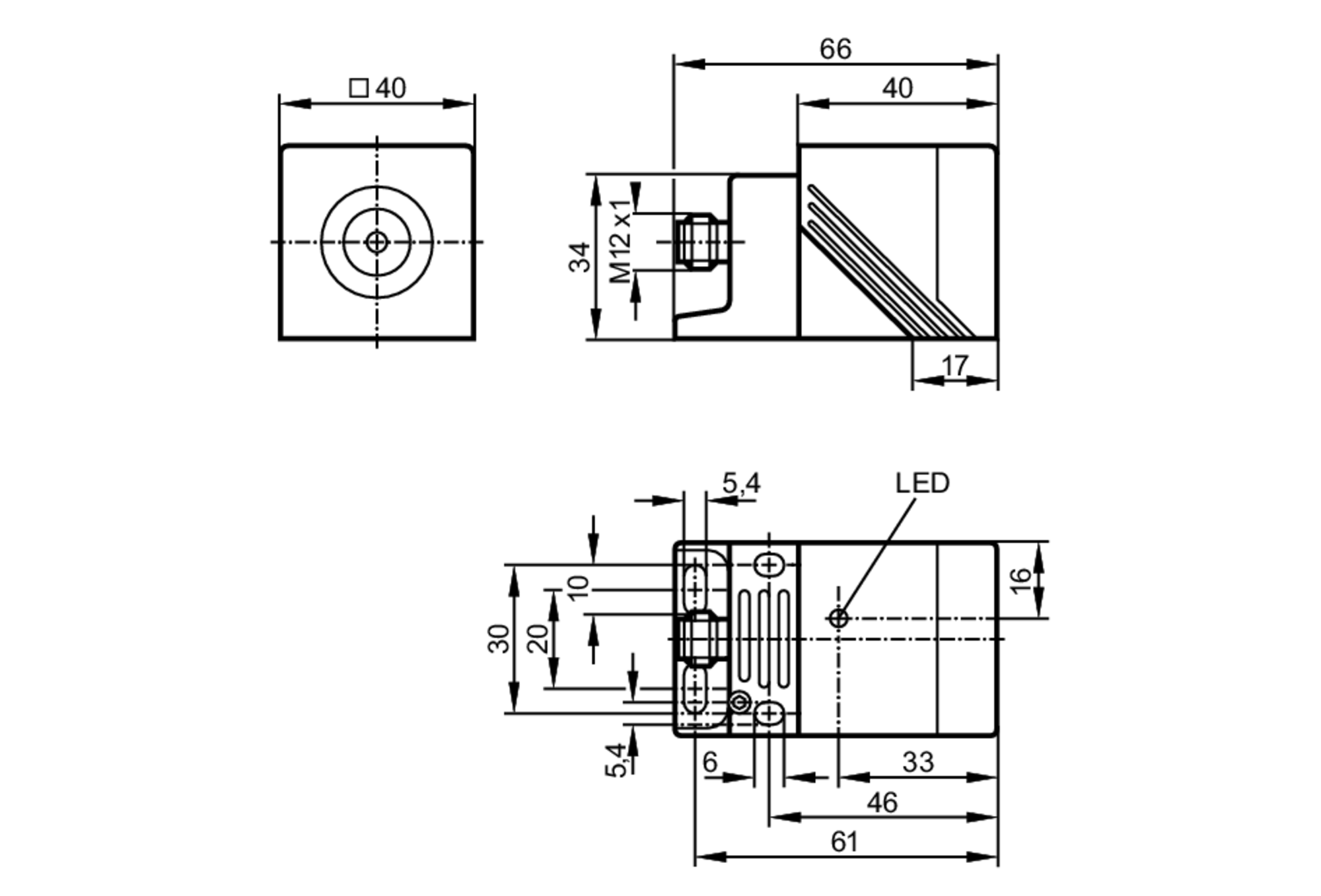
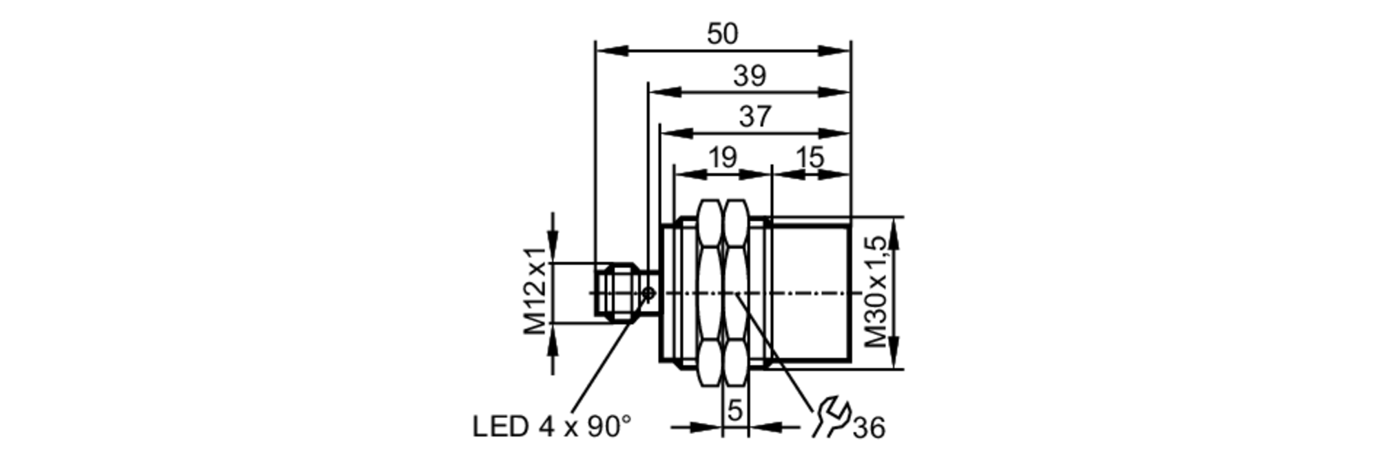
NM501A Inductive NAMUR sensor ifm Namur Amplifier Namur sensors are designed to be powered by a switching. Namur proximity sensors are used in classified hazardous location areas that have explosive gas, dust, or fibers present. Easy programming of the output function. A namur sensor is a 2 wire proximity sensor that was developed to ensure safety in hazardous areas. It is designed to safely operate e.g. For. Namur Amplifier.
From www.rs-online.vn
Phoenix ContactGalvanic Barrier With Digital Input, 10mA max RS Namur Amplifier These sensors are powered by a nominal 8.2 vdc supply, sourced from a switch amplifier. It is designed to safely operate e.g. A namur sensor is a 2 wire proximity sensor that was developed to ensure safety in hazardous areas. Easy programming of the output function. Namur proximity sensors are used in classified hazardous location areas that have explosive gas,. Namur Amplifier.
From www.ifm.com
N0539A Switching amplifiers for Namur sensors ifm Namur Amplifier Easy programming of the output function. For the operation of intrinsically safe sensors in hazardous areas. Namur proximity sensors are used in classified hazardous location areas that have explosive gas, dust, or fibers present. It is designed to safely operate e.g. Namur sensors are designed to be powered by a switching. These sensors are powered by a nominal 8.2 vdc. Namur Amplifier.
From www.tradeindia.com
Industrial Namur Amplifier Relay Unit Contact Load High Power at Best Namur Amplifier Easy programming of the output function. For the operation of intrinsically safe sensors in hazardous areas. Namur proximity sensors are used in classified hazardous location areas that have explosive gas, dust, or fibers present. A namur sensor is a 2 wire proximity sensor that was developed to ensure safety in hazardous areas. Namur sensors are designed to be powered by. Namur Amplifier.
From www.balluff.com.cn
Inductive NAMUR sensors 巴鲁夫自动化(上海)有限公司 Namur Amplifier It is designed to safely operate e.g. Easy programming of the output function. For the operation of intrinsically safe sensors in hazardous areas. Namur sensors are designed to be powered by a switching. These sensors are powered by a nominal 8.2 vdc supply, sourced from a switch amplifier. Namur proximity sensors are used in classified hazardous location areas that have. Namur Amplifier.
From www.ifm.com
N0530A Switching amplifiers for Namur sensors ifm Namur Amplifier A namur sensor is a 2 wire proximity sensor that was developed to ensure safety in hazardous areas. For the operation of intrinsically safe sensors in hazardous areas. Namur sensors are designed to be powered by a switching. Easy programming of the output function. It is designed to safely operate e.g. Namur proximity sensors are used in classified hazardous location. Namur Amplifier.
From automationcommunity.com
What is a NAMUR Sensor? Advantages and Disadvantages Namur Amplifier These sensors are powered by a nominal 8.2 vdc supply, sourced from a switch amplifier. A namur sensor is a 2 wire proximity sensor that was developed to ensure safety in hazardous areas. Namur sensors are designed to be powered by a switching. Namur proximity sensors are used in classified hazardous location areas that have explosive gas, dust, or fibers. Namur Amplifier.
From www.ifm.com
N0031A Switching amplifiers for Namur sensors ifm Namur Amplifier Namur sensors are designed to be powered by a switching. It is designed to safely operate e.g. Easy programming of the output function. These sensors are powered by a nominal 8.2 vdc supply, sourced from a switch amplifier. A namur sensor is a 2 wire proximity sensor that was developed to ensure safety in hazardous areas. For the operation of. Namur Amplifier.
From ph.rs-online.com
2905723 Phoenix Contact Signal Conditioner, Isolation Amplifier Namur Amplifier It is designed to safely operate e.g. Namur sensors are designed to be powered by a switching. These sensors are powered by a nominal 8.2 vdc supply, sourced from a switch amplifier. For the operation of intrinsically safe sensors in hazardous areas. Easy programming of the output function. A namur sensor is a 2 wire proximity sensor that was developed. Namur Amplifier.
From www.ifm.com
N0030A Switching amplifiers for Namur sensors ifm Namur Amplifier For the operation of intrinsically safe sensors in hazardous areas. Namur proximity sensors are used in classified hazardous location areas that have explosive gas, dust, or fibers present. These sensors are powered by a nominal 8.2 vdc supply, sourced from a switch amplifier. Namur sensors are designed to be powered by a switching. It is designed to safely operate e.g.. Namur Amplifier.
From cl.rsdelivers.com
IM1231EXR Turck Turck 2 Channel Galvanic Barrier, Isolating Namur Amplifier For the operation of intrinsically safe sensors in hazardous areas. Easy programming of the output function. Namur sensors are designed to be powered by a switching. It is designed to safely operate e.g. A namur sensor is a 2 wire proximity sensor that was developed to ensure safety in hazardous areas. Namur proximity sensors are used in classified hazardous location. Namur Amplifier.
From automationcommunity.com
What is a NAMUR Sensor? Advantages and Disadvantages Namur Amplifier It is designed to safely operate e.g. A namur sensor is a 2 wire proximity sensor that was developed to ensure safety in hazardous areas. These sensors are powered by a nominal 8.2 vdc supply, sourced from a switch amplifier. For the operation of intrinsically safe sensors in hazardous areas. Namur sensors are designed to be powered by a switching.. Namur Amplifier.
From www.ebay.com
IFM N0533A Switching Amplifiers for Namur Sensors 24 DC PNP New eBay Namur Amplifier It is designed to safely operate e.g. Namur sensors are designed to be powered by a switching. Namur proximity sensors are used in classified hazardous location areas that have explosive gas, dust, or fibers present. Easy programming of the output function. For the operation of intrinsically safe sensors in hazardous areas. These sensors are powered by a nominal 8.2 vdc. Namur Amplifier.